Производственные мощности AbrazivKFT
Компания объединяет производство на двух собственных заводах в г.Кечкемет и г.Кишкорос. Штатная численность - более 300 сотрудников.
Конструкторское бюро AbrazivKFT - 15 инженеров.
Срок изготовления дробемета составляет от 2 до 5 месяцев!
Основные этапы производства:
1 Конструкторское проектирование дробемета.
Применяется:
- система трехмерного проектирования - Autodesk Mechanical Desktop;
- система трехмерного твердотельного и поверхностного параметрического проектирования - Autodesk Inventor.
Позволяют:
- выполнять 2D/3D-моделирование;
- создавать изделия из листового материала и получать их развертку;
- проводить разработку электрических и трубопроводных систем;
- осуществлять динамическое моделирование;
- выполнять параметрический расчет напряженно-деформированного состояния деталей и сборок.
На этапе конструкторского проектирования:
- учитываются специальные запросы, особенности технологии Заказчика на основе технического задания, где максимально подробно описан технологический процесс, перечислены все требования и задачи к очистному оборудованию;
- происходит эргономичное размещение дробемета в свободном пространстве цеха;
- осуществляется разработка схемы подвода коммуникаций (электрических, пневматических, гидротехнических и прочих) на месте предстоящей установки дробемета.
По результатам расчетов НАШИМ СЕРВИСОМ может быть предложена оптимизация элементов конструкции для достижения дополнительного запаса прочности, большей производительности дробемета! Заказчик, может нарастить мощность турбины для снижения скорости обработки, увеличить толщину брони, заложить 2х-3х кратный срок эксплуатации элементов турбины и так далее, чтобы тем самым гарантировать работу изделия без поломок заданный срок. Заказчик сам может поставить нужные акценты, то есть выбрать «люксовую» комплектацию, а не довольствоваться «базовой» моделью.

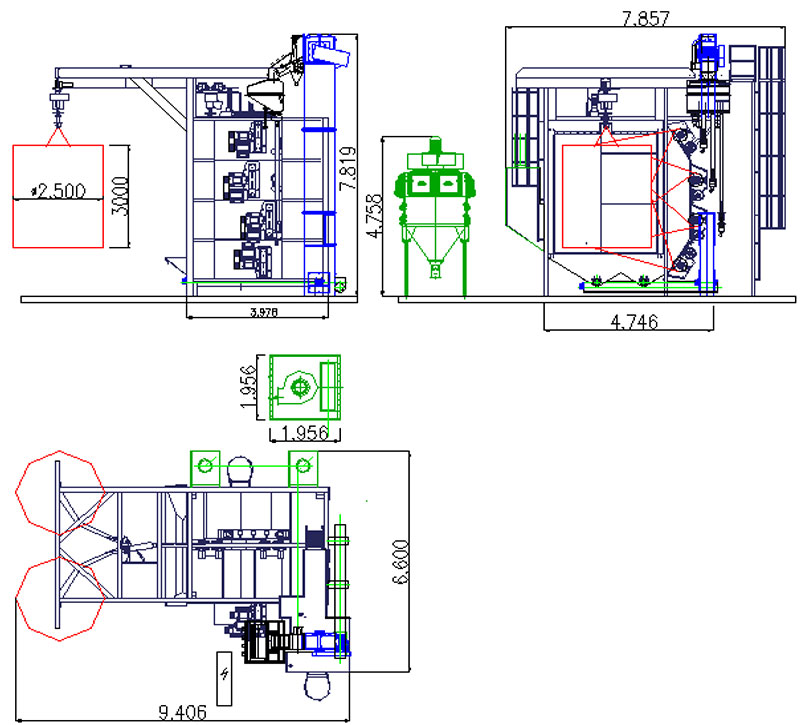
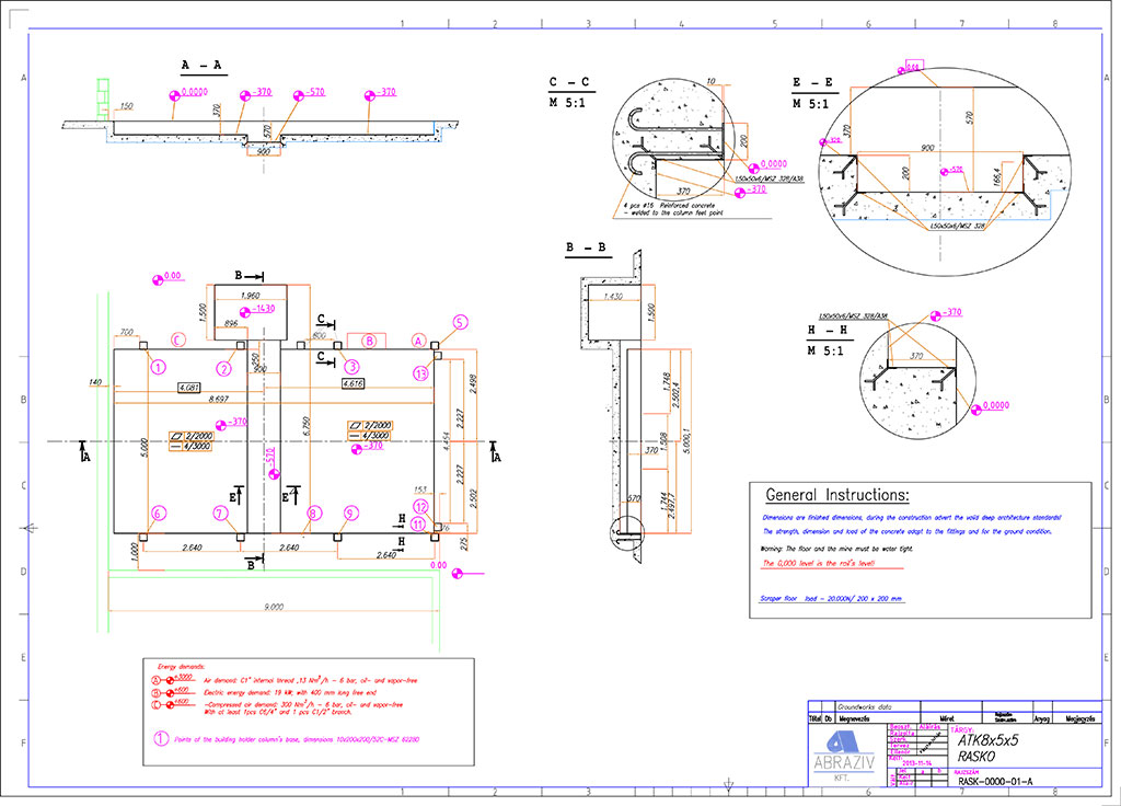
2 Согласование, разработка и передача Заказчику строительного задания с указанием количества анкерных креплений, чертежа фундамента дробемета.
Для приведения в соответствие габаритов предлагаемой конструкции дробемета с внутренним пространством цеха проводится изучение:
- геометрии и коммуникаций цеха;
- маршрутов движения кранового и прочего грузоподъемного оборудования;
- маршрутов перемещения продукции;
- ориентации маслоподвалов, подкрановых путей;
- удаленность от щитовых, подстанций и прочее.

3 Резка металла.
Передовые способы резки металла обеспечивают высокую производительность, идеальную точность и чистоту кромок на деталях сложнейших конфигураций, что исключает необходимость дополнительной механической обработки.
Комплекс лазерного раскроя от компании LVD (Бельгия).
ЧПУ комплекса управляет тремя осями X, Y, и Z, программирует трехмерную задачу, чтобы обрабатывать объёмные детали.

Машины плазменной и газокислородной резки от компании MicroStep (Словакия).
Демонстрируют превосходную динамичность процесса и высокую точность резки.

4 Гибочные работы.
Гидравлический вальцовочный станок BIKO (Италия).
Использование системы 3D Cad и F.E.M. анализа обеспечивает оптимальное измерение и проектирование напряжения и деформации.
Валы большого диаметра, выполненные из высококачественной стали, минимизируют искривление под нагрузкой и повреждение поверхности.

Высокоточный гидравлический листогибочный пресс LVD (Бельгия).
Полностью управляем системой ЧПУ высшего уровня. Воспроизводит усилие 2200 кН.

5 Сварка элементов дробемета.
Роботизированный комплекс Motoman (США) обеспечивает решение высокотехнологических сварочных задач на высоких скоростях.
В состоянии сваривать конструкции любой сложности.

6 Контроль геометрии, качества сварки, фрезерная работа.
Проверяется каждый элемент и каждое сочленение.

7 Крупногабаритная сборка.
Выполняется тщательная подготовка и проверка мест стыковки, монтаж готовых деталей в одно звено дробеметной машины.
Позволяет максимально сократить срок монтажа и ввода дробемета в эксплуатацию у Заказчика.

8 Окраска и сушка.
Производство оснащено окрасочной и сушильной камерами от мирового лидера в окрасочных технологиях – компании Blowtherm (Италия).
Гарантируют надежную адгезию, долговечность покрытия, его устойчивость к агрессивным условиям эксплуатации очистного оборудования.

9 Автоматизация.
Система управления дробеметом построена на базе программируемого логического контроллера от флагмана в этой отрасли –Siemens.
ПЛК от Siemens гарантирует:
- безотказность и простоту в обслуживании;
- возможность эксплуатации в сложных производственных условиях;
- многофункциональность.

Сенсорная панель управления дробеметом обеспечивает преимущества:
- упрощает прием и визуализацию данных, полученных с контроллеров и полевого оборудования КИПиА по цифровым протоколам;
- обеспечивает легкую навигацию по экранам управления и контроля;
- позволяет просматривать не только текущие параметры дробеметной обработки, но и архивные.

9 Монтаж или шеф-монтаж оборудования.
Монтаж дробемета может быть выполнен полностью специалистами AbrazivKFT.
В случае шеф-монтажных работ AbrazivKFT направляет Заказчику одного или нескольких инженеров, которые непосредственно руководят монтажными работами, а также принимают в них самое активное участие. При этом Заказчик должен обеспечить их подсобными рабочими (слесарем, сварщиком и пр.) в соответствии с видом и квалификацией выполняемых работ. В таком случае исключены ошибки персонала Заказчика, возникающие при монтаже оборудования, полностью исключен ущерб от поломок, возникающих вследствие запуска оборудования неквалифицированным персоналом.
Монтажные работы предусматривают:
- механический монтаж оборудования на предварительно подготовленном фундаменте;
- монтаж электротехнического оборудования и системы управления на производственной площадке;
- подключение дробемета к электрическим и пневматическим сетям;
- вакуумирование и заправку рабочими средами;
- проверку готовности функционирования системы;
- контрольное испытание после завершения монтажа.

10 Пусконаладочные работы.
Производится:
- тестирование и обкатка оборудования на разных режимах;
-настройка системы управления в соответствии с технологическими процессами на предприятии и специфическим требованиями Заказчика.
- инструктаж обслуживающего персонала по эксплуатации оборудования.
Осуществляется передача документации:
- инструкции по технике безопасности;
- инструкция о порядке обслуживания и режимах эксплуатации дробемета;
- график смены запасных частей.
